製品特長
SDガラス+EDガラス採用の3枚玉アポクロマート光学系
・「NAKOH 60GT」は、有効口径60mm・焦点距離360mm(口径比F6)の3枚玉アポクロマ
ート(APO)望遠鏡です。
・3枚のレンズのうち1枚に日本製のSDガラス、1枚にEDガラスを贅沢に採用。SDガラスとEDガラスの異常分散特性を最大限に活用することで、異なる波長の光の屈折率差を大幅に低減し、色収差を効果的に抑制。極めてシャープでコントラストの高い星像を実現します。
・同時発売の専用補正レンズを使用することで、フルサイズ対応のコンパクトなフラットフィ
ールドアストログラフとしてご使用いただけます。

・フラットナー使用時のスポット半径は中心で約2.1μm、フルサイズ最周辺で約2.5μmと、中心から周辺まで均質でフラットな撮像範囲を得られます。
・レデューサー使用時はF3.9の明るさとなり、大きい対象や淡い対象の撮影に適します。スポット半径は中心で約2.7μm、フルサイズ最周辺で約4.6μmです。
検査によって裏付けられる確かな品質
・NAKOH 60GTの光学性能は、ZYGO干渉計によって精密に検査されています。ストレール比は97.6%、RMS値は0.026λ(λ/38に相当)、PV値は0.168λを達成し、非常に高精度に組み立てられていることが分かります。
・ロンキー試験においても、焦点内外像の均質さから、レンズの組み込み、研磨精度の高さが確認できます。
拡張性と機能性の高い各種装備
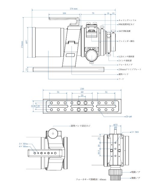
・デュアルスピードラック&ピニオンフォーカサーを搭載。32mmのフォーカスストロークを備え、高精度スケールにより微細なピント調整が可能です。
・フォーカサー底部にはM4ネジ穴を備えており、市販の電動フォーカサーの多くに対応します。

・鏡筒後部には360°高精度な視野回転装置を搭載。精密なインデックスを備え、ローレット付きロックノブにより回転角度を確実に保持できます。

・全長230mmの45mm幅ドブテイルバーを採用。曲線デザインの金属製鏡筒バンドは、大型の手締めロックボルトを装備し、鏡筒を確実に固定しつつ開閉操作をスムーズに行うことができます。
・金属製キャリングハンドルは取り外し可能な設計で、取り回しやすさと使いやすさを兼ね備えています。
